توضیحات
سنسور القایی
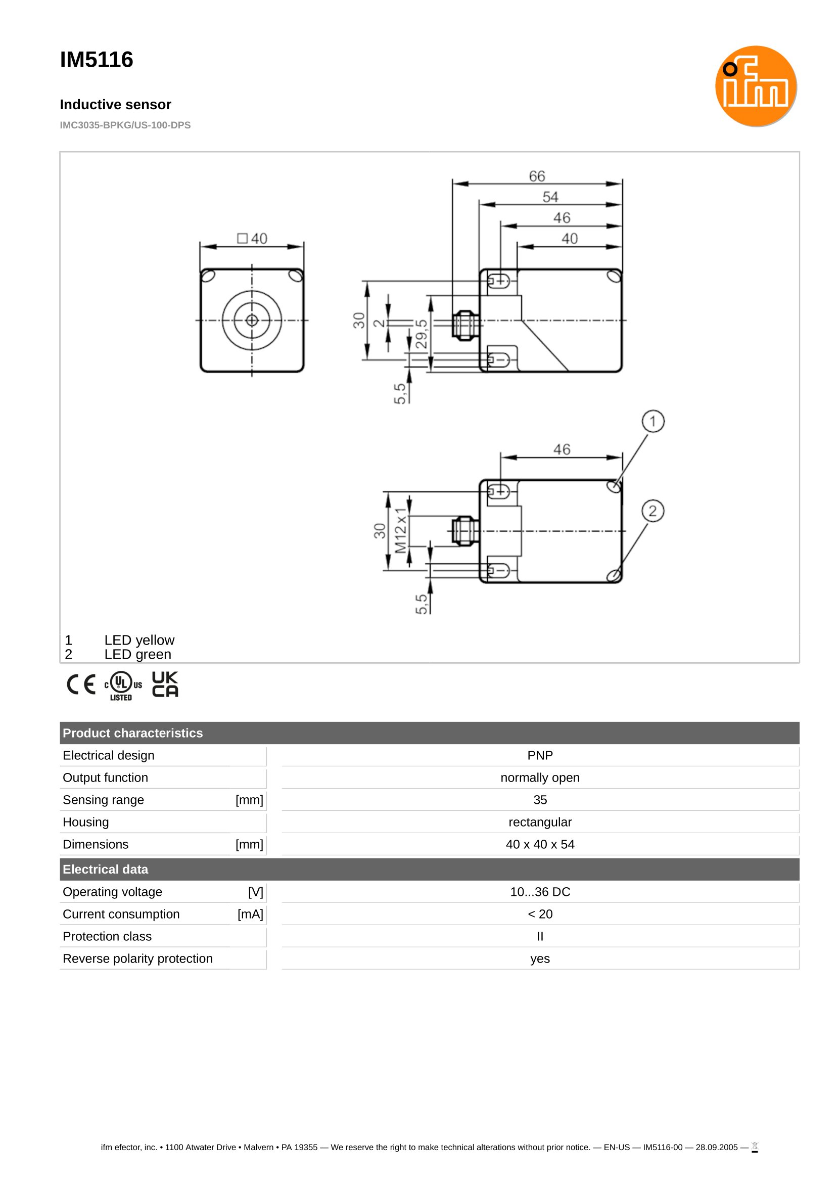
سنسور القایی مدل IM5116 برند آی اف ام (IFM) یک نوع سنسور حسگر فازی است که از اصل القا (induction) برای تشخیص و اندازهگیری اشیاء فلزی استفاده میکند. این سنسورها به عنوان حسگرهای نزدیکی (proximity sensors) نیز شناخته میشوند، زیرا توانایی تشخیص اشیاء بدون تماس مستقیم با آنها را دارند.سنسور القایی مدل IM5116 برند آی اف ام (IFM)
مهمترین ویژگیهای سنسورهای القایی عبارتند از:
عملکرد بدون تماس:
سنسورهای القایی بدون نیاز به تماس مستقیم با اشیاء فلزی قابل استفاده هستند. این ویژگی آنها را برای برخی از برنامه های صنعتی و خطوط تولید مفید میکند.
مقاومت در برابر خرابی مکانیکی:
سنسور القایی مدل IM5116 برند آی اف ام (IFM) بیشتر از سنسورهای مکانیکی مانند سوئیچهای حسگری معمولی، به خاطر عدم تماس مکانیکی، مقاومت بیشتری در برابر خرابی مکانیکی دارند.
استفاده در شرایط صنعتی سخت:
بسیاری از مدلهای سنسورهای القایی به خوبی در شرایط صنعتی خشن با فشار، دما، گرد و غبار و رطوبت کار میکنند.
سرعت عمل بالا:
این سنسورها به سرعت عمل کرده و تغییرات در محیط را به سرعت تشخیص میدهند.
قابلیت تنظیم دیاگرام حساسیت:
برخی از مدلها دارای قابلیت تنظیم دیاگرام حساسیت هستند تا بهترین عملکرد را در شرایط خاص فراهم کنند.
استفاده در اندازهگیری فاصله:
برخی از سنسورهای القایی قادر به اندازهگیری فاصله تا چند سانتیمتر با اشیاء فلزی هستند.
استفاده در کنترل ماشینآلات و رباتیک:
به دلیل عملکرد بدون تماس و قابلیت تشخیص اشیاء در فاصله، سنسورهای القایی در کنترل ماشینآلات و سیستم های رباتیک نیز استفاده میشوند.سنسور القایی مدل IM5116 برند آی اف ام (IFM)
برای انتخاب مناسب ترین سنسور القایی بر اساس نیازها و شرایط خاص، به مشخصات فنی هر مدل، نوع خروجی، فاصله تشخیص، و شرایط محیطی مورد استفاده توجه کنید.
مزیت سنسور القایی
سنسورهای القایی (Inductive Sensors) یک نوع حسگر فازی هستند که برای تشخیص اشیاء فلزی بدون تماس مستقیم با آنها استفاده میشوند. این سنسورها برخی مزایای مهم را دارا هستند که آنها را برای کاربردهای مختلف در صنایع مختلف، از جمله صنعت خودرو، صنعت الکترونیک، و خطوط تولید، مورد استفاده قرار میدهند. در زیر به برخی از مزایای سنسورهای القایی اشاره شده است:
عملکرد بدون تماس:
یکی از مزایای اصلی سنسورهای القایی، عدم نیاز به تماس مستقیم با اشیاء فلزی است. این ویژگی به کاربران این امکان را میدهد که اشیاء را بدون هرگونه تماس مکانیکی تشخیص دهند.
سرعت عمل بالا:
سنسورهای القایی به سرعت عمل میکنند و به سرعت تغییرات در محیط را تشخیص میدهند. این ویژگی این سنسورها را برای برنامه هایی با فرآیندهای سریع و دینامیکی مناسب میکند.
مقاومت در برابر شرایط محیطی:
بسیاری از مدلهای سنسورهای القایی مقاوم در برابر شرایط محیطی نظیر گرد و غبار، رطوبت، و دمای بالا یا پایین هستند. این ویژگی این سنسورها را برای استفاده در شرایط صنعتی مختلف مفید میکند.
استفاده در مکان های خطرناک:
به دلیل عدم نیاز به تماس مستقیم با اشیاء، سنسورهای القایی برای استفاده در محیط های خطرناک، به خصوص در صنعتهای نفت و گاز، معدن، و صنایع شیمیایی، مناسب هستند.
مصرف انرژی کم:
بسیاری از مدلهای سنسورهای القایی مصرف انرژی کمی دارند، که میتواند در کاهش هزینههای انرژی برنامه ها و سیستم ها موثر باشد.
تنظیمات قابل تنظیم:
برخی از مدلها دارای تنظیمات قابل تنظیم هستند که به کاربران این امکان را میدهد که فاصله تشخیص را تنظیم کرده و سازگاری سنسور با محیط کاری خود را بهبود بخشند.
به همین دلیل، سنسورهای القایی به عنوان یک ابزار مهم در کنترل و اندازهگیری در صنایع مختلف شناخته شدهاند.
انواع سنسور القایی
سنسورهای القایی یک دسته از حسگرهای فازی هستند که بر اساس اصل القا برای تشخیص اشیاء فلزی بدون تماس مستقیم با آنها عمل میکنند. این سنسورها در صنایع مختلف، از جمله خودروسازی، الکترونیک، و خطوط تولید، برای کاربردهای مختلف استفاده میشوند. انواع مختلف سنسورهای القایی شامل:
سنسورهای القایی نزدیکی (Proximity Sensors):
این نوع سنسورها برای تشخیص اشیاء فلزی در فاصله نسبتاً کوتاه بدون هیچ گونه تماس مستقیم با آنها استفاده میشوند. زمانی که یک شیء فلزی به فاصله تعیین شده از سنسور میرسد، سنسور واکنش نشان میدهد.
سنسورهای القایی دیسک (Eddy Current Sensors):
این نوع سنسورها از اثر القایی ناشی از جریانهای Wirz در سطح فلزی برای اندازهگیری و تشخیص تغییرات فاصله به کمک یک دیسک مستقر استفاده میکنند.
سنسورهای القایی لینیر (Linear Inductive Sensors):
این سنسورها برای اندازهگیری تغییرات فاصله یا حرکت خطی بین یک المان حساس و یک سطح فلزی بهرهمند هستند.
سنسورهای القایی دما (Eddy Current Temperature Sensors):
این سنسورها از اصل القا برای اندازهگیری دما با استفاده از تغییرات جریانهای القایی ناشی از دمای یک مواد فلزی استفاده میکنند.
سنسورهای القایی فرکانس رزونانس (Resonant Eddy Current Sensors):
این سنسورها از فرکانس رزونانس القایی برای تشخیص تغییرات فاصله یا خواص فلزی استفاده میکنند.
سنسورهای القایی چرخشی (Rotary Inductive Sensors):
این نوع سنسورها برای اندازهگیری چرخش و گشتاور در دستگاهها و ماشینآلات به کار میروند.
برای انتخاب مناسبترین نوع سنسور القایی بر اساس نیازها و شرایط خاص، به مشخصات فنی هر مدل، فاصله تشخیص، حساسیت، و شرایط محیطی مورد استفاده توجه کنید.سنسور القایی مدل IQ2010 برند آی اف ام (IFM)
نگهداری از سنسورها
نگهداری صحیح از سنسورها میتواند عمر مفید و دقت آنها را تضمین کند. در زیر چند راهنمای نگهداری از سنسورها آورده شده است:
تمیزکاری منظم:
سنسورها باید مداوم تمیز نگه داشته شوند. استفاده از یک پارچه نرم و خشک برای پاکسازی سطح سنسورها میتواند از خطر خراشیدگی یا آلودگی آنها جلوگیری کند.
پیگیری تغییرات محیطی:
محیط کاری ممکن است تغییراتی داشته باشد. اطمینان حاصل کنید که سنسور برای تغییرات دما، رطوبت، و شرایط محیطی دیگری که ممکن است تأثیرگذار باشند، مناسب باشد.
حفاظت از سنسورها در برابر ضربات و لرزش:
در صورت احتمال ضربه یا لرزش در محیط کاری، از وسایل حفاظتی مانند کیسههای محافظ یا سیستمهای آموزش شده برای جلوگیری از آسیب دیدن سنسورها استفاده کنید.
بررسی کابلها و اتصالات:
کابلها و اتصالات سنسور نیز باید بررسی و تعمیر شوند. اتصالات دچار خرابی ممکن است باعث ناقص عملکرد یا خرابی سنسور شوند.
بررسی منابع تغذیه:
اگر سنسور با منابع تغذیه خارجی (باتری، منبع تغذیه، و غیره) کار میکند، اطمینان حاصل کنید که منابع تغذیه در وضعیت خوبی قرار دارند و به موقع تعویض یا شارژ شوند.
بررسی تنظیمات و کالیبراسیون:
اگر سنسور قابل تنظیم یا کالیبره میشود، منظماً تنظیمات و کالیبراسیون آن را بررسی کنید و در صورت نیاز تنظیمات را بهروزرسانی کنید.
پشتیبانی از دفترچه راهنما:
دفترچه راهنمای استفاده و نگهداری سنسورها را مطالعه کرده و دستورالعملهای تعمیرات و نگهداری را به دقت دنبال کنید.
با انجام این مراحل نگهداری، میتوانید از دقت و کارایی سنسورهای خود حداکثر بهرهمندی را ببرید.














نقد و بررسیها
هیچ دیدگاهی برای این محصول نوشته نشده است.